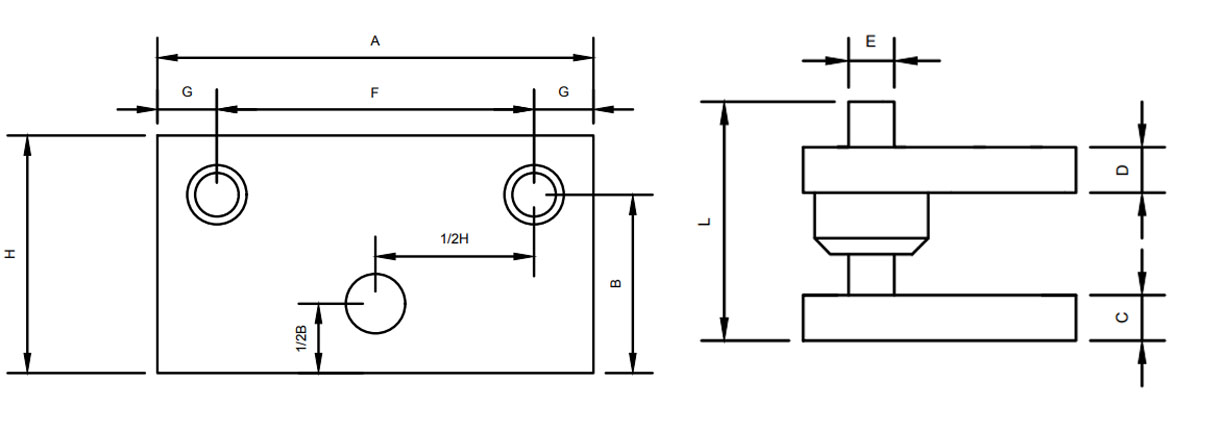
Todos los portatroqueles se entregan ensamblados, para su fabricación se utilizan placas de acero A-36 o en algunos casos Acero 4140 T dependiendo de las necesidades de cada cliente, están equipados con postes fabricados en acero 1018 cementados y rectificados.
EN VOSSEN FABRICAMOS CON LA MEJOR CALIDAD DEL PAIS, AGILIZANDO NUESTROS PROCESOS DE RECTIFICADO Y MAQUINADO EN PORTA TROQUELES Y PORTA MOLDES.

Hay diferentes tipos de portatroqueles:
Jaula de Aluminio
Nuestros Porta troqueles de 4 Postes los podemos
fabricar desde 8″ de largo x 8" de ancho, hasta 27″ de
largo x 50" de ancho, los aceros más utilizados para los
Porta troqueles son A-36 y 4140 T, P 20 por mencionar
algunos.
Los Porta troqueles de 4 Postes se pueden fabricar con
diseños especiales en dimensiones, tamaño y con el
sistema de ensamble que el cliente necesite.

Los Porta troqueles mantiene la calidad requerida por los
clientes. Se entregan completamente ensamblados. Están
equipados con postes y bujes fabricados en acero
cementado y rectificado, podemos agregar a cualquier
fabricación jaulas para sistema embalado, para una mejor
precisión en el troquelado.

Los Porta troqueles de Forma son fabricados con las más
altas normas de calidad y supervisados en su fabricación,
con placas con postes y bujes en acero endurecido y
rectificado en diferentes tipos de materiales dependiendo
de las necesidades del cliente.
Dentro de los Porta troqueles de Forma se pueden fabricar
desde 3″ de ancho x 3” de largo hasta 24″ de ancho x 16″
5/8 de largo, los aceros más utilizados para estos Porta
troqueles son A-36 y 4140 tratado, P20, por mencionar
algunos.
Los Porta troqueles de Forma se pueden fabricar con
diseños especiales en geometría, dimensiones, tamaño y
con el sistema de ensamble que el cliente necesite.

Comienza por enviarnos un